English
Español
Português
русский
Français
日本語
Deutsch
tiếng Việt
Italiano
Nederlands
ภาษาไทย
Polski
한국어
Svenska
magyar
Malay
বাংলা ভাষার
Dansk
Suomi
हिन्दी
Pilipino
Türkçe
Gaeilge
العربية
Indonesia
Norsk
تمل
český
ελληνικά
український
Javanese
فارسی
தமிழ்
తెలుగు
नेपाली
Burmese
български
ລາວ
Latine
Қазақша
Euskal
Azərbaycan
Slovenský jazyk
Македонски
Lietuvos
Eesti Keel
Română
Slovenski
मराठी
Srpski језик
Producteigenschappen
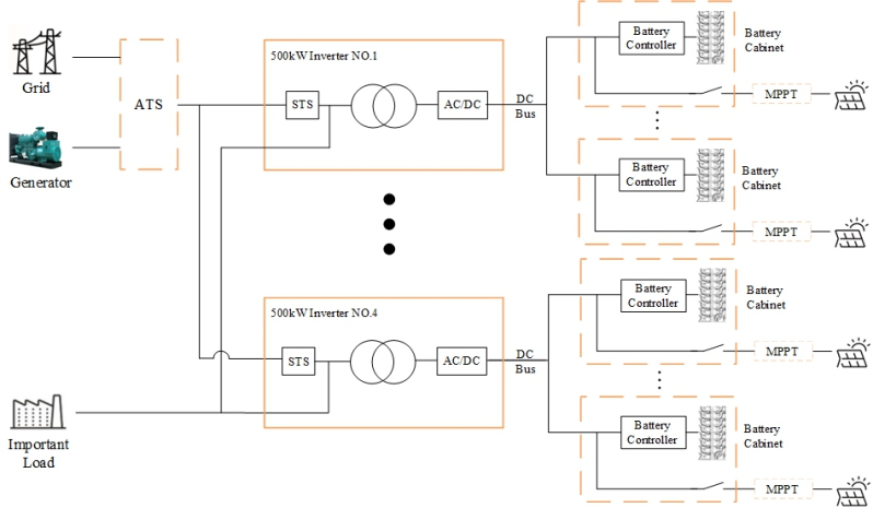
1. Bij belastingen groter dan 500 kW wordt aanbevolen om een 500 kW energieopslagomvormer met grote capaciteit te gebruiken, die in staat is maximaal vier sets parallelle verbindingen te ondersteunen, waardoor een totaal uitgangsvermogen van 2 MW wordt bereikt;
2. Wanneer meerdere 500 kW-systemen parallel worden gebruikt en STSA over verschillende 500 kW-omvormers wordt verdeeld, is het van cruciaal belang om ervoor te zorgen dat de kabellengte van het netverbindingspunt naar het belastingsverbindingspunt consistent is;
3. De hybride ESS maakt gebruik van DC-gekoppelde fotovoltaïsche integratie, waardoor een hoge energieconversie-efficiëntie wordt bereikt en geoptimaliseerd voor off-grid scenario's waarbij de PV-opwekkingscapaciteit de vraag overschrijdt; MPPT voor buitengebruik
controllers integreren combiner- en MPPT-functionaliteiten in één enkele geharde behuizing. Het complete systeem omvat een ATS-optie voor een dieselgenerator, een hybride omvormer van 300 kW, een PV MPPT-controller en een batterij
energieopslagsysteem.


Specificatie
| Modellen | P500TS-400-A | |
|
DC-zijde-parameters |
Spanningsbereik | 500-950V |
| Maximale stroom | 1128A | |
| Nominaal uitgangsvermogen | 500 kW | |
|
AC-zijde parameters (netgekoppeld) |
Maximaal uitgangsvermogen | 550 kW |
| Nominale uitgangsstroom | 722A | |
| THDi | <3% | |
| Rastertype | 3W+N+PE | |
| Spanningsbereik | 360VAC~440VAC | |
| Frequentiebereik | 45~55Hz/55~65Hz | |
| Vermogensfactor | -1~1 | |
| Nominaal uitgangsvermogen | 500 kW | |
|
Parameters AC-zijde (Off-grid) |
Nominale uitgangsspanning | 400V |
| Nominale uitgangsfrequentie | 50/60 Hz | |
| THDu | <1% lineaire belasting, <5% niet-lineaire belasting | |
| Overbelastingscapaciteit | 110%10 minuten | |
| Onderhoudsbypass-schakelaar | 1250A | |
|
Off-Grid-schakelaar en configuratie van de schakelaar |
DC-schakelaar | 1250A |
| Laadschakelaar | 1250A | |
| Netschakelaar | 1250A | |
| STS-eenheid | 1155A/800kW | |
| Schakeltijd | <20 ms | |
|
Systeemparameters |
Piekefficiëntie | 97,5% |
| Bedrijfstemperatuur | -30~55℃ (Derating boven 40℃) | |
| Relatieve vochtigheid | 0 tot 95% RV, niet-condenserend | |
| Afmetingen (L*D*H) | 1600×1050×2050mm | |
| Gewicht | 2700 kg | |
| IP-klasse | IP21 IP21 (volledige machine) | |
| Lawaai | <70dB | |
| Scherm weergeven | LCD-scherm | |
| BMS-communicatie | KAN | |
| EMS-communicatie | TCP/IP | |