Medium hybride systeem

Medium hybride systeem

Een on-grid en off-grid energieopslagsysteem integreert fotovoltaïsche (PV) energieopwekking, energieopslag en intelligente controle. Het kan zowel in netgekoppelde als in stand-alone modus werken, waardoor een continue en stabiele stroomvoorziening wordt gegarandeerd.

Stuur onderzoek

Productomschrijving


Functie

Het systeem maakt gebruik van modulaire inverterunits in parallelle configuratie

de DC-ingang van elke invertermodule komt overeen met een speciale batterijkast,

waardoor beheer per cluster mogelijk is om circulatiestromen tussen clusters te elimineren

batterij snaren.

De AC/DC-vermogensmodules ondersteunen een flexibele inzet, zowel in aantal als in aantal

vermogen, met een maximale capaciteit van 60 kW modules in een parallelle opstelling van 5 eenheden

configuratie.

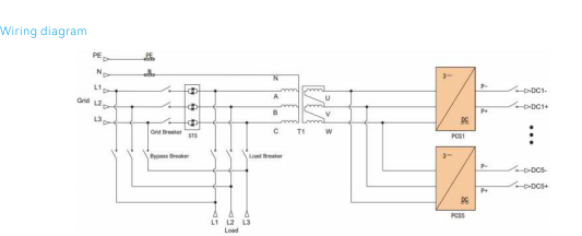
De AC-uitvoer van de voedingsmodules wordt geleverd via een transformator

geïsoleerde eindtrap, die stroom levert aan de belasting met een sterke weerstand tegen

huidige schok.

De hybride ESS maakt gebruik van DC-gekoppelde fotovoltaïsche integratie, waardoor een hoog rendement wordt bereikt

energieconversie-efficiëntie en geoptimaliseerd voor off-grid scenario's met PV

opwekkingscapaciteit groter dan de vraag; MPPT-controllers voor buitengebruik

integreer combiner- en MPPT-functionaliteiten in één enkele geharde behuizing.

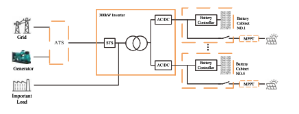
Het complete systeem omvat een ATS-dieselgenerator, een hybride van 300 kW

omvormer, PV MPPT-controller en een batterij-energieopslagsysteem.



Functie

Het systeem maakt gebruik van modulaire inverterunits in parallelle configuratie

de DC-ingang van elke invertermodule komt overeen met een speciale batterijkast,

waardoor beheer per cluster mogelijk is om circulatiestromen tussen clusters te elimineren

batterij snaren.

De AC/DC-vermogensmodules ondersteunen een flexibele inzet, zowel in aantal als in aantal

vermogen, met een maximale capaciteit van 60 kW modules in een parallelle opstelling van 5 eenheden

configuratie.

De AC-uitvoer van de voedingsmodules wordt geleverd via een transformator

geïsoleerde eindtrap, die stroom levert aan de belasting met een sterke weerstand tegen

huidige schok.

De hybride ESS maakt gebruik van DC-gekoppelde fotovoltaïsche integratie, waardoor een hoog rendement wordt bereikt

energieconversie-efficiëntie en geoptimaliseerd voor off-grid scenario's met PV

opwekkingscapaciteit groter dan de vraag; MPPT-controllers voor buitengebruik

integreer combiner- en MPPT-functionaliteiten in één enkele geharde behuizing.

Het complete systeem omvat een ATS-dieselgenerator, een hybride van 300 kW

omvormer, PV MPPT-controller en een batterij-energieopslagsysteem.









Specificaties

Modellen P200TS-400-A P250TS-400-A P300TS-400-A

DC-zijde-parameters
Spanningsbereik 650-950Vdc
Ingangsschakelaar per module 250A
Aantal DC-kanalen 3 weg 4 manier 5 manier

AC-zijde parameters
(netgekoppeld)
Nominaal uitgangsvermogen 200 kW 250 kW 300 kW
Maximaal uitgangsvermogen 220 kW 275 kW 330 kW
Nominale uitgangsstroom 289A 361A 433A
THDi <3%
Rastertype 3W+N+PE
Spanningsbereik 360Vac~440Vac
Frequentiebereik 45~55Hz/55~65Hz
Vermogensfactor -1~1

Eiland
Parameters aan AC-zijde
Nominaal uitgangsvermogen 200 kW 250 kW                   300 kW
Nominale uitgangsspanning 400Vac
Nominale uitgangsfrequentie 50/60 Hz
THDu <1% lineair, <5% niet-lineair<1% lineair, <5% niet-lineair
Overbelastingscapaciteit 110% overbelasting gedurende 10 minuten110% gedurende 10 minuten

Grid-islanding
Overdracht en schakelmateriaal
Onderhoudsbypass-schakelaar 400A 630A
Rasterschakelaars 630A 800A
Laadschakelaars 400A 630A
STS-eenheid 577A/400kW 722A/500kW
Schakeltijd <20 ms

Systeemparameters
Piekefficiëntie 97,5%
Bedrijfstemperatuur -30~55℃-30~55℃ (Derating boven 40℃)
Relatieve vochtigheid 0~95%RH,0~95%RH,niet-condenserend
Afmetingen (L*D*H) 1300×1050×2050mm
Gewicht 1400 kg 1700 kg               1800 kg
IP-klasse IP21 IP21 (volledige set)
Lawaai <70dB
Scherm weergeven LCD-aanraakscherm
BMS-communicatie KAN
EMS-communicatie TCP/IP


Hottags: Medium hybride systeem
Stuur onderzoek
Stel gerust uw vraag via onderstaand formulier. Wij zullen u binnen 24 uur antwoorden.
X
We gebruiken cookies om u een betere browse-ervaring te bieden, het siteverkeer te analyseren en de inhoud te personaliseren. Door deze site te gebruiken, gaat u akkoord met ons gebruik van cookies. Privacybeleid