English
Español
Português
русский
Français
日本語
Deutsch
tiếng Việt
Italiano
Nederlands
ภาษาไทย
Polski
한국어
Svenska
magyar
Malay
বাংলা ভাষার
Dansk
Suomi
हिन्दी
Pilipino
Türkçe
Gaeilge
العربية
Indonesia
Norsk
تمل
český
ελληνικά
український
Javanese
فارسی
தமிழ்
తెలుగు
नेपाली
Burmese
български
ລາວ
Latine
Қазақша
Euskal
Azərbaycan
Slovenský jazyk
Македонски
Lietuvos
Eesti Keel
Română
Slovenski
मराठी
Srpski језик
Producteigenschapes
1, DC-opwekking en DC-opslag, meer efficiëntie en minder verlies, wat geschikt is voor PV en opslagvermogen is groter
dan de scenario's voor het laden van stroom buiten het elektriciteitsnet;
2, IP65-bescherming, geschikt voor gebruik buitenshuis. MPPT in de buurt verhoogt de convergentie-uitvoer, wat bedrading helpt voorkomen
verwarring veroorzaakt doordat meerdere fotovoltaïsche (PV) kabels over lange afstanden naar het alles-in-één systeem worden verzonden.
3, 200-900V breed spanningsbereik van fotovoltaïsche input, ter ondersteuning van de toegang tot fotovoltaïsche modules met hoge stroomsterkte.
4. Meerkanaals MPPT, voldoet aan de meerdere hoeken van het PV-paneel
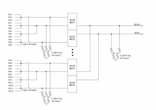
Bedradingsschema

Specificatie
| Modellen | MPPT-8 | MPPT-6 | MPPT-12 | |
| Interface aan PV-zijde Parameters |
Maximale PV-arrayspanning | 900V | ||
| MPPT-spanningsbereik | 200V-900V | |||
| Nominaal MPPT-spanningsbereik | 560V-900V | |||
| Maximale takstroom | 24A | 20A | ||
| Aantal PV-ingangsstrings | 8 | 6 | 12 | |
| Aantal MPPT | 8 | 2 | 4 | |
| Stroom per MPPT | 20A | 55A | ||
| Uitvoerparameters | Spanningsbereik | 600-950V | ||
| Nominale spanning | Standaard 716,8 V, instelbaar | |||
| Nominale uitgangsstroom | 118A | 84A | 168A | |
| Nominaal uitgangsvermogen | 84 kW | 60 kW | 120 kW | |
| Maximale uitgangsstroom | 192A | 120A | 240A | |
| Systeemparameters | EUe ciëntie | 99,4% | ||
| iP-klasse | IP65 | |||
| Koelconcept | Natuurlijke convectie | Geforceerde luchtkoeling | ||
| Afmetingen (B*D*H) | 550x530x280mm | 630×460×260mm | 630×460×260mm | |
| Gewicht | 42 kg | 25 kg | 30 kg | |
| Bedrijfstemperatuur | -30~55℃ | |||
| Voedingsmodi | Zelf aangedreven (zonder stroomverbruik 's nachts) | |||
| Communicatie-interface | RS485 | |||
